16CNDD+HQ防爆型电动蝶阀是国内电气动阀门优秀生产商YMIR易觅尔生产的电动蝶阀,该电动蝶阀采用韩国进口执行器,性能稳定,广泛应用于食品、环保、轻工、石油、造纸、化工、教学和科研设备、电力等行业的工业自动控制系统。电动蝶阀特别适合介质是粘稠、含颗粒、纤维性质的场合。控制方式分为开关型及调节型,输入控制信号(4~20mA或1~5VDC)及单相电源即可控制运转,电动蝶阀具有功能强、体积小、轻便宜人、性能可靠、配套简单、流通能力大。
防爆型电动蝶阀、16CNDD+HQ阀内组建可选材料:| 主要零部件 | 材质 | 适用规格 | 主要零部件 | 材质 | 适用规格 |
| 阀体 | 球墨铸铁 灰铸铁 铸钢 不锈钢 | 50mm~300mm 50mm~300mm 50mm~300mm 50mm~300mm | 阀杆 | 不锈钢416 不锈钢316 不锈钢304 碳钢镀镍磷 | 50mm~300mm 50mm~300mm 50mm~300mm 50mm~300mm |
| 阀板 | 不锈钢CF8 不锈钢CF8M 球墨铸铁镀镍磷 球墨铸铁覆尼龙 铝青铜 | 50mm~300mm 50mm~300mm 50mm~300mm 50mm~300mm 50mm~300mm | 阀座 | 丁腈橡胶NBR 乙丙橡胶EPDM 氟橡胶VITON 硅橡胶SEP 耐热EPDM 耐磨EPDM | 50mm~300mm 50mm~300mm 50mm~300mm 50mm~300mm |
16CNDD+HQ防爆型电动蝶阀阀体参数
公称通径:50~400mm
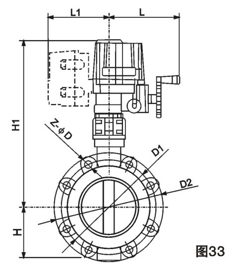
公称压力:PN1.0, 1.6, 2.5Mpa 连接形式:法兰连接 材 料:HT200 ZG251 ZG1Cr18Ni9 ZG0Cr17Ni12Mo2 衬四氟 介质温度:常温型:-20℃~+200℃ 散热型:-40~+450℃ 适用介质:淡水、海水、食品、天然气、醇类、盐类、酸、碱、油、蒸汽、空气等16CNDD+HQ防爆型电动蝶阀及尺寸规格图:


16CNDD+HQ防爆型电动蝶阀尺寸规格表:
| 通径 | L | L1 | H1 | H2 | D1 | D1 | Z-ΦD |
| 50 | 216 | 190 | 70 | 412 | 125 | 155 | 4-Φ16 |
| 65 | 216 | 190 | 76 | 425 | 145 | 175 | 4-Φ16 |
| 80 | 216 | 190 | 89 | 437 | 160 | 190 | 8-Φ16 |
| 100 | 216 | 190 | 104 | 452 | 180 | 214 | 8-Φ16 |
| 125 | 216 | 190 | 120 | 504 | 210 | 252 | 8-Φ16 |
| 150 | 276 | 221 | 132 | 524 | 240 | 282 | 8-Φ16 |
| 200 | 276 | 222 | 167 | 607 | 295 | 337 | 8-Φ16 12-Φ20 |
| 250 | 276 | 240 | 202 | 686 | 350/355 | 405 | 12-Φ20 12-Φ24 |
| 300 | 276 | 240 | 239 | 714 | 400/410 | 460 | 12-Φ20 12-Φ24 |
| 350 | 276 | 240 | 265 | 749 | 460/470 | 524 | 16-Φ20 16-Φ24 |
| 400 | 276 | 240 | 297 | 781 | 515/525 | 585 | 16-Φ24 16-Φ27 |


客服1